150LB和300LB常用法兰尺寸比较
1、目的
便于技术部及其他相关部门查阅。对比同规格不同标准法兰的大体差异。
2、范围
CL150-CL300,DN15-DN350;整体钢制管法兰;RF/FF连接面法兰主要尺寸。
3、参考文件
ASME B 16.5-2003,JIS B 2238,JIS B 2239,GB/T 9113.1-2000,JB/T 79.1-94,HG20596-97,HG 20618-97, DIN2543等。
4、文件内容
4.1 一般情况下,不同标准的压力等级或公称压力可以作如下对应。
表1 压力等级对应表
|
|
|
|
|
|
|
|
|
标准 |
等级公称压力 |
|
|
ANSI |
150LB |
300LB |
600LB |
900LB |
1500LB |
|
|
JIS |
10K |
20K |
40K |
63K |
|
|
|
DIN |
1.0/1.6MPa |
2.5/4.0MPa |
6.3/10MPa |
16MPa |
|
|
|
GB/HG |
1.0/1.6/2.0MPa |
2.5/4.0/5.0MPa |
6.3/10MPa16 |
16MPa |
16/26MPa |
|
|
JB/T |
1.6MPa |
2.5/4.0MPa |
6.3/10MPa |
16MPa |
|
|
|
|
|
|
|
|
|
注:1.由于温度等级和公称压力的温度基准不同,因此并没有严格的对应关系,此表仅作大致对应;
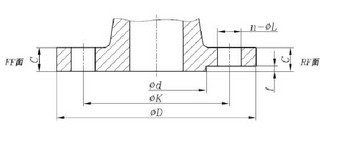
2.GB/HG/JB/JTk 16MPa仅在DN50及以下口径时与ANSI1500LB互换。4.2比较不同标准的法兰,有助于更准确地选择胚件或代用品。见以下表2-表7数据。
由于在CL150、CL300两个磅级的RF、FF面法兰标方式一致,且同口径同磅级的阀门结构长度不变,故在这两个磅级内的统计容易实现。除此外的型式请查阅相应标准。





  |